应用
产品适用于测量有腐蚀性的液体、气体等介质的压力,也能测量粘稠介质的压力,能适应特殊场所,各种工作条件,可根据测量介质对耐腐蚀性能的要求不同选用不同材料的测量膜片,外壳为不锈钢材料,可在恶劣环境下使用。广泛应用于石油、化工、机械、冶金、核能技术领域。仪表指示清晰、稳定可靠,有螺纹连接,法兰连接可选。
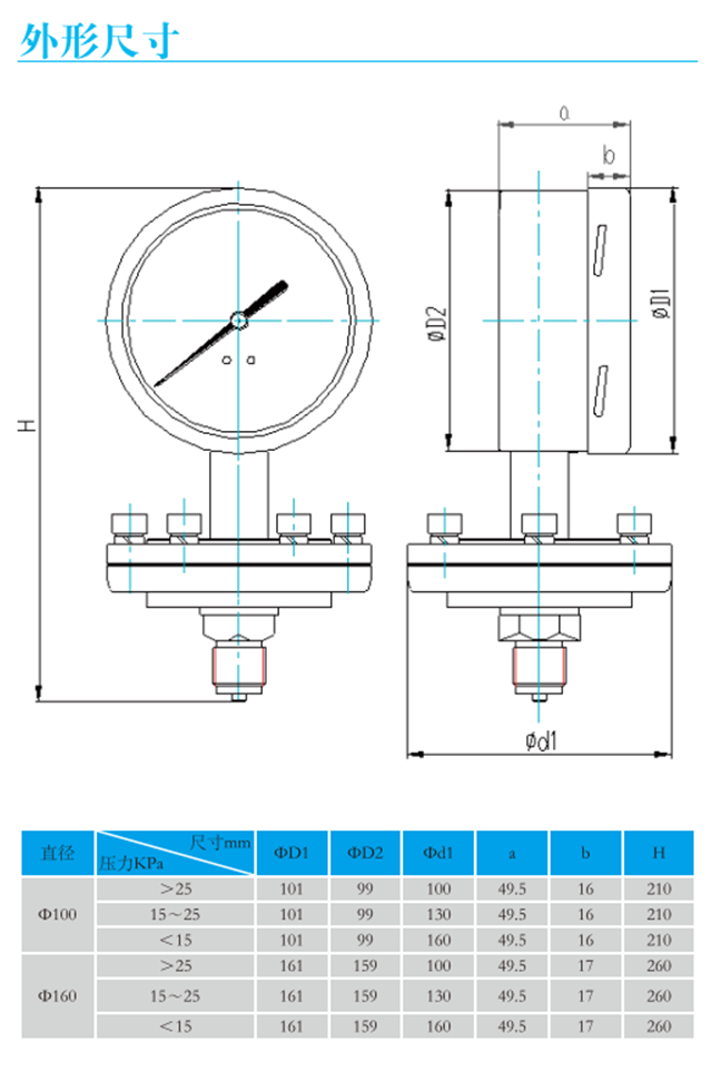
技术参数
公称直径:Ф100mm、Ф160mm
精度等级:1.6级、2.5级、4级测量范围:0~4KPa…2.5MPa
或其他等效压力真空范围
环境温度:-20℃~60℃
介质温度:-40℃~100℃
当测量系统的温度偏离20土5℃时。仪表的示值误差变化不大于0.6%/10℃过程连接:M20X1.5、1/2”NPT、G1/2
可根据用户要求定制螺纹或法兰
接液材质:316SS
表壳材质:304SS(316SS可选)
机芯材质:304SS
感压元件:膜片
仪表指针:铝合金,黑色
仪表表盘:铝合金,白底黑字
仪表玻璃:安全玻璃
防护等级:IP54、IP65、IP66
选项
双量程表盘
仪表充液:甘油、硅油、氟油等
散热器(可以适应更高的介质温度)
膜片材料:HaC、Ta、Ti、Zr等
仪表防腐:接液喷涂PTFE或衬套PTFE等

